Di tengah meningkatnya minat terhadap proyek elektronik DIY, skema diagram driver 200 watt menjadi solusi menarik bagi para hobiis dan profesional. Dengan kemampuan efisiensi tinggi, skema ini menjawab tantangan kebutuhan daya pada berbagai aplikasi, termasuk audio dan pencahayaan. Mari kita dalami lebih lanjut bagaimana skema ini dapat diimplementasikan.

Memahami Dasar-Dasar Driver dalam Proyek Elektronik
Memahami dasar-dasar driver dalam proyek elektronik sangat penting untuk keberhasilan skema diagram, terutama skema diagram driver 200 watt. Driver berfungsi mengontrol aliran arus, memastikan komponen elektronik beroperasi dengan efisien. Dengan pemahaman yang baik, Anda bisa merancang sistem yang lebih stabil dan fungsional, memaksimalkan potensi proyek Anda.
Kenapa Memilih 200 Watt untuk Proyek Anda?
Memilih 200 Watt untuk proyek Anda memberikan keseimbangan ideal antara efisiensi dan daya yang dibutuhkan. Dalam skema diagram driver 200 watt, Anda akan menemukan konfigurasi yang memungkinkan penggunaan sumber daya maksimal tanpa mengorbankan performa. Dengan daya ini, proyek Anda dapat berjalan dengan stabil, menjadikannya pilihan tepat untuk berbagai aplikasinya.
Elemen Penting dalam Skema Diagram

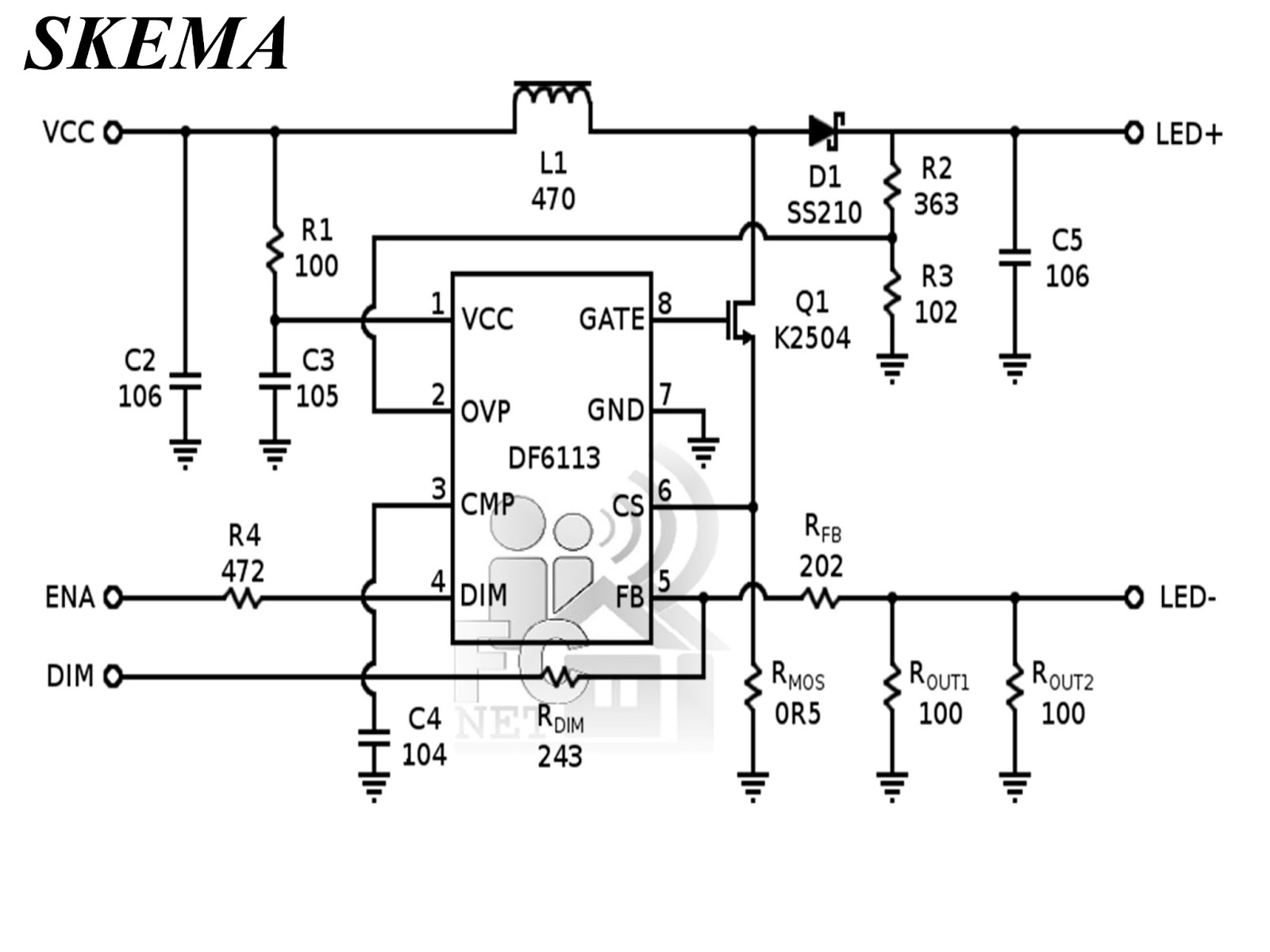
Dalam skema diagram driver 200 watt, beberapa elemen penting harus diperhatikan. Pertama, simbol komponen seperti resistor, kapasitor, dan transistor harus jelas. Kedua, penghubung antar komponen harus mudah diikuti untuk memastikan alur listrik yang tepat. Terakhir, penjelasan fungsi masing-masing elemen membantu pemahaman keseluruhan dari skema diagram.
Gali Lebih Dalam: Komponen Utama Driver 200 Watt

Dalam memahami driver 200 watt, penting untuk menggali komponen utama yang terdapat dalam skema diagramnya. Driver ini biasanya terdiri dari transformator, dioda, dan kapasitor, masing-masing berperan dalam mengubah dan mengatur arus listrik.
Dengan mempelajari skema diagram driver 200 watt, Anda dapat lebih memahami bagaimana semua elemen ini bekerja secara sinergis untuk menghasilkan output optimal.
Proses Penggambaran Skema Diagram Driver 200 Watt

Proses penggambaran skema diagram driver 200 watt melibatkan langkah-langkah sistematis untuk memastikan akurasi dan fungsionalitas. Pertama, komponen utama diidentifikasi dan disusun, lalu dihubungkan sesuai dengan alur kerja. Gambar yang dihasilkan memberikan panduan visual yang jelas, memudahkan pemahaman serta implementasi driver 200 watt yang efisien.
Tips Membaca dan Memahami Skema Diagram

Untuk memahami skema diagram driver 200 watt, mulailah dengan mengenali simbol dan komponen yang digunakan. Bacalah dengan teliti setiap bagian, perhatikan aliran listriknya, dan cari tahu fungsi masing-masing komponen. Jangan ragu untuk menggambar ulang skema tersebut, ini akan membantu memperkuat pemahaman Anda tentang hubungan antar bagian dalam skema diagram.
Kesalahan Umum saat Merancang Skema Diagram

Merancang skema diagram driver 200 watt bisa jadi tantangan bagi banyak orang. Salah satu kesalahan umum adalah tidak memperhatikan pemilihan komponen yang tepat, yang dapat mengakibatkan malfungsi. Selain itu, kurangnya detail dalam pengkabelan seringkali menyebabkan kebingungan saat implementasi. Pastikan skema diagram Anda jelas dan lengkap untuk hasil yang optimal.
Berbagai Aplikasi dari Driver 200 Watt dalam Elektronik

Driver 200 watt memiliki berbagai aplikasi penting dalam elektronik, seperti pada sistem audio, pencahayaan LED, dan perangkat elektronik rumah tangga. Dengan memahami skema diagram driver 200 watt, pengguna dapat mengoptimalkan kinerja perangkat mereka, memastikan efisiensi dan kualitas output yang maksimal.
Menggunakan skema diagram yang tepat juga memungkinkan perbaikan dan modifikasi yang lebih mudah.
Sumber Daya dan Tools untuk Membangun Proyek Anda

Untuk membangun proyek Anda, terutama yang melibatkan skema diagram driver 200 watt, penting untuk memiliki sumber daya yang tepat. Buku panduan teknik, video tutorial, dan software perancangan seperti Fritzing dapat membantu Anda menyusun skema diagram dengan akurat. Selain itu, komunitas online seperti forum elektronika menyediakan tips berharga dari praktisi berpengalaman.
Langkah Selanjutnya setelah Memahami Skema Diagram

Setelah memahami skema diagram driver 200 watt, langkah selanjutnya adalah menerapkan pengetahuan itu dalam proyek nyata. Cobalah untuk merakit sirkuit dengan komponen yang sesuai dan uji fungsinya. Pastikan juga untuk memperhatikan keselamatan dan memeriksa koneksi agar semua berjalan lancar sesuai skema diagram yang telah dipelajari.
Memahami skema diagram driver 200 watt dapat meningkatkan keterampilan elektronik Anda. Cobalah menerapkannya pada proyek kecil, seperti sistem pencahayaan DIY atau perangkat audio. Dengan berlatih merancang dan membangun menggunakan skema ini, Anda akan lebih percaya diri dalam menjelajahi proyek elektronik yang lebih kompleks di masa depan.