Banyak pemula dalam dunia elektronik sering kali merasa bingung ketika berhadapan dengan skema diagram sm b109e. Kesenjangan pengetahuan mengenai cara membaca dan memahami skema ini bisa berakibat fatal, seperti kesalahan dalam pemasangan komponen yang mengarah pada kerusakan alat. Ketidakpahaman ini tidak hanya menghambat proses belajar, tetapi juga mengurangi kepercayaan diri dalam mengerjakan proyek-proyek elektronik. Oleh karena itu, penting untuk memiliki panduan yang jelas dan praktis agar Anda dapat menguasai skema diagram sm b109e dengan cepat dan efektif.

Pengenalan Dasar Tentang Skema Diagram
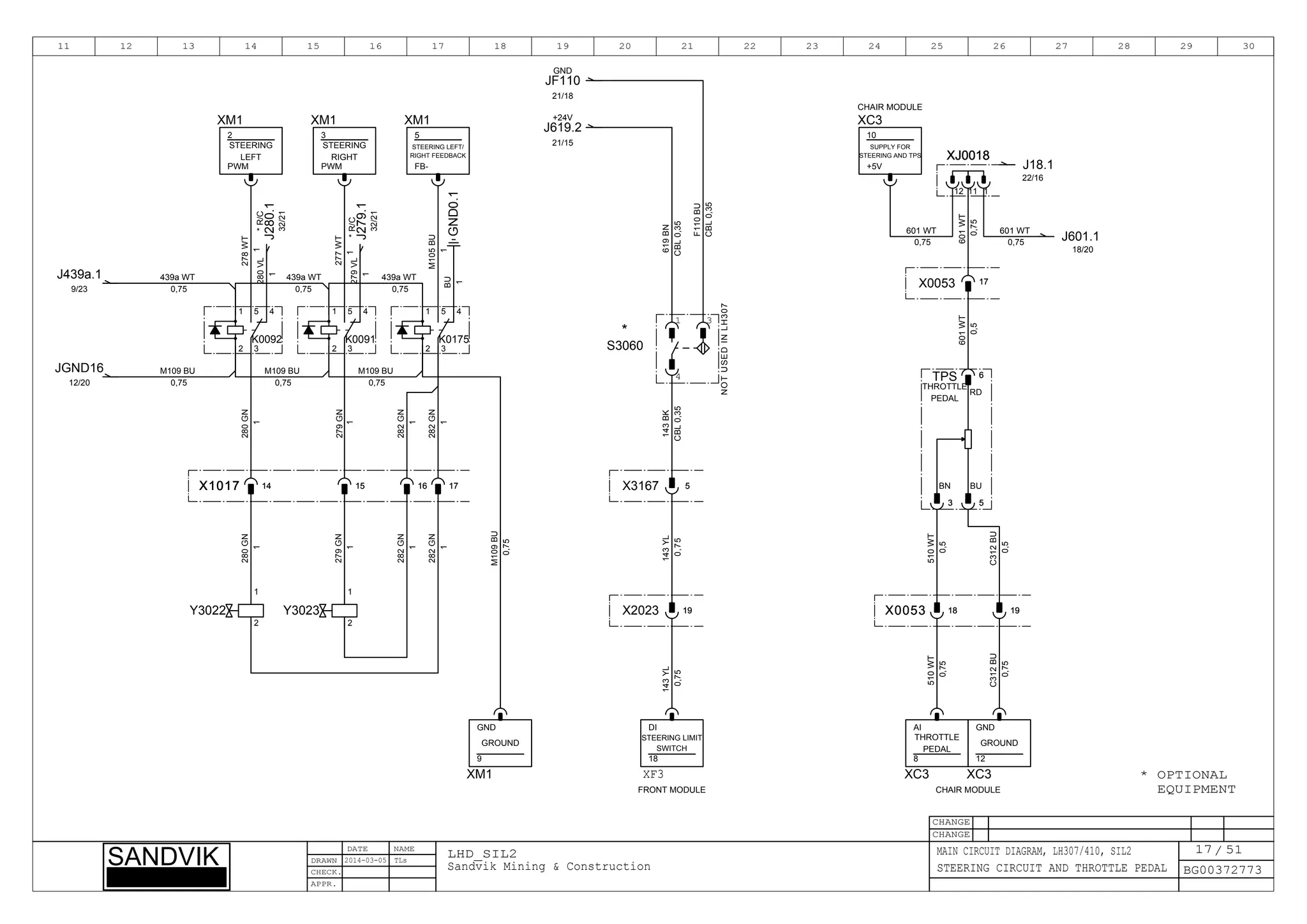
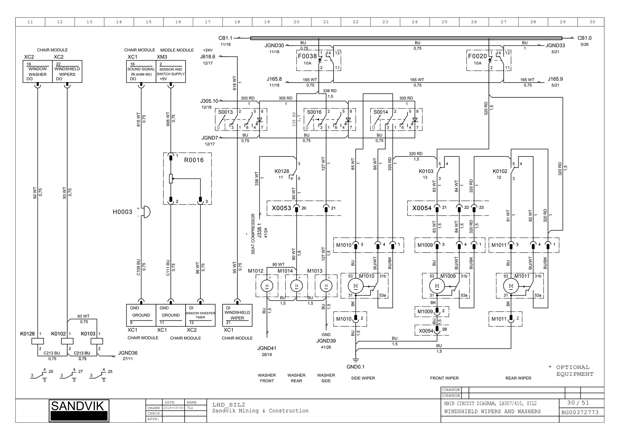
Skema diagram merupakan alat penting dalam memahami struktur dan hubungan antar komponen dalam suatu sistem. Dalam konteks skema diagram SM B109E, pemahaman yang baik tentang diagram ini sangat membantu dalam proses perbaikan dan pemeliharaan perangkat. Skema diagram ini menyajikan informasi visual yang jelas, sehingga memudahkan teknisi untuk mengidentifikasi jalur listrik dan koneksi yang tepat.
Dengan menggunakan skema diagram SM B109E, pengguna dapat dengan mudah melakukan troubleshooting serta memastikan bahwa semua komponen berfungsi secara optimal. Memahami dasar-dasar skema diagram adalah langkah awal yang penting untuk meningkatkan keahlian teknis dalam bidang ini.

Menggali Lebih dalam Skema Diagram Sm B109E dan Penerapannya
Menggali lebih dalam skema diagram SM B109E memberikan wawasan penting tentang struktur dan fungsionalitasnya. Skema diagram ini tidak hanya berfungsi sebagai panduan visual, tetapi juga sebagai alat analisis yang efektif untuk memahami alur kerja sistem. Dengan mempelajari setiap komponen dalam skema diagram SM B109E, kita bisa mengidentifikasi potensi masalah dan merancang solusi yang tepat.
Penerapan skema ini sangat relevan dalam berbagai industri, termasuk otomotif dan elektronik, di mana keakuratan dan efisiensi adalah kunci utama. Memahami skema diagram SM B109E dapat meningkatkan kemampuan troubleshooting dan perawatan perangkat dengan lebih baik.

Pemahaman Mendalam Tentang Skema Diagram Sm B109E
Pemahaman mendalam tentang skema diagram SM B109E sangat penting bagi para teknisi dan penggemar otomotif. Skema diagram ini menyediakan informasi terperinci mengenai sirkuit listrik dan komponen yang ada dalam sistem kendaraan. Dengan memahami skema diagram SM B109E, Anda dapat mendiagnosis masalah dengan lebih efisien dan melakukan perbaikan yang diperlukan.
Diagram ini juga membantu dalam memahami alur kerja komponen, sehingga memudahkan dalam penggantian atau pemeliharaan. Mengetahui cara membaca dan menerapkan skema diagram SM B109E akan meningkatkan keterampilan teknis Anda dan membawa manfaat besar dalam dunia otomotif.

Memahami skema diagram SM B109E bukan hanya untuk keperluan teknis, tetapi juga dapat meningkatkan kemampuan problem solving sehari-hari. Cobalah untuk menerapkan cara berpikir sistematis saat menghadapi masalah, seperti memecahnya menjadi komponen kecil. Dengan cara ini, Anda dapat menganalisis situasi dengan lebih jelas dan menemukan solusi yang efektif. Jadikan skema diagram sebagai alat bantu dalam pengambilan keputusan sehari-hari.