Dalam era digital saat ini, banyak orang mencari cara untuk memahami teknologi yang ada di sekitar mereka. Salah satu topik yang menarik adalah skema diagram pembuatan tv digital, yang menjadi sorotan seiring meningkatnya kebutuhan akan informasi dan hiburan berbasis media digital. Mari kita telusuri lebih dalam tentang topik ini.

Memahami Dasar-Dasar Teknologi Tv Digital

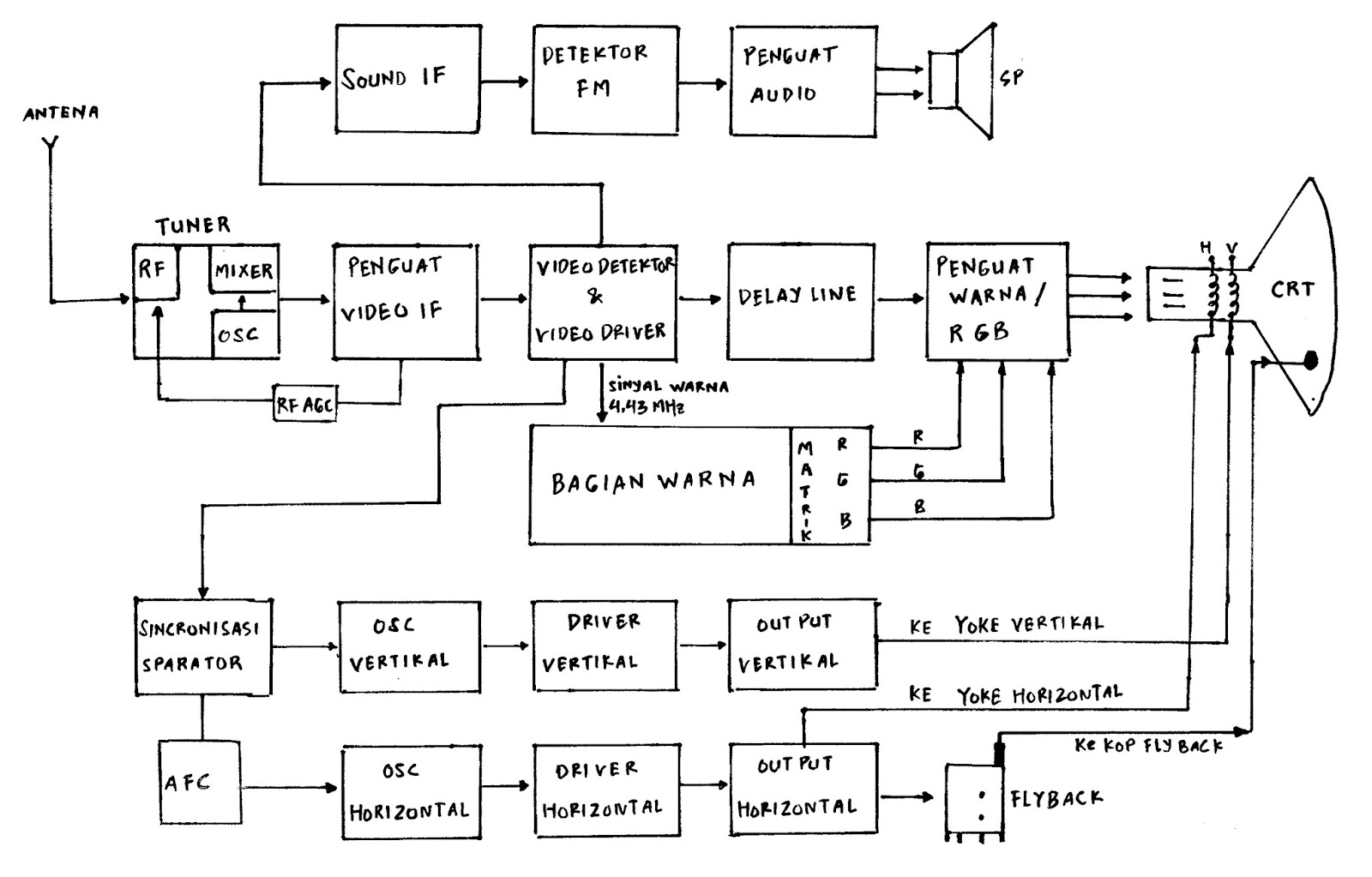
Memahami dasar-dasar teknologi TV digital sangat penting untuk mengetahui cara kerja dan keunggulannya. Salah satu cara yang efektif adalah melalui skema diagram pembuatan TV digital. Diagram ini menggambarkan komponen utama, seperti tuner, dekoder, dan tampilan, sehingga memudahkan kita memahami proses penyampaian sinyal digital ke layar.
Mengapa Skema Diagram Penting dalam Pembuatan Tv Digital

Skema diagram pembuatan TV digital sangat penting karena memberikan panduan visual yang jelas tentang setiap komponen dan hubungan di dalamnya. Dengan menggunakan skema diagram, para insinyur dan teknisi dapat memahami proses secara lebih mendalam, meminimalkan kesalahan, serta meningkatkan efisiensi dalam merakit dan memperbaiki perangkat.
Ini membantu memastikan kualitas dan performa TV digital yang optimal.
Komponen Utama yang Diperlukan untuk Membuat Tv Digital

Membuat TV digital memerlukan beberapa komponen utama yang saling terintegrasi. Dalam skema diagram pembuatan TV digital, Anda akan menemukan elemen seperti tuner, modulasi sinyal, dan layar LCD atau LED. Setiap komponen memiliki peranan krusial, memastikan kualitas gambar dan suara yang optimal untuk pengalaman menonton yang menyenangkan.
Skema Diagram Pembuatan Tv Digital: Apa Saja yang Harus Diketahui

Skema diagram pembuatan TV digital merupakan alat visual penting yang membantu memahami proses dan komponen utama dalam pengembangan perangkat ini. Dalam diagram tersebut, Anda akan menemukan elemen-elemen seperti tuner, prosesor, dan layar, yang bekerja sama untuk menghasilkan gambar dan suara berkualitas.
Memahami skema diagram ini sangat membantu bagi para teknisi dan penggemar teknologi untuk merancang dan memperbaiki TV digital dengan lebih efektif.
Menyusun Rangkaian Sirkuit dengan Benar

Menyusun rangkaian sirkuit dengan benar sangat penting untuk memastikan TV digital berfungsi optimal. Pertama, pahami skema diagram pembuatan TV digital yang akan digunakan. Diagram ini memberikan petunjuk jelas mengenai komponen dan koneksi yang diperlukan. Dengan mengikuti skema secara tepat, Anda akan menghindari kesalahan yang umum terjadi dalam perakitan sirkuit.
Langkah-Langkah Praktis dalam Merancang Skema Diagram

Merancang skema diagram pembuatan TV digital memerlukan langkah-langkah yang sistematis. Pertama, identifikasi komponen utama dan fungsinya. Kemudian, susun diagram secara logis, mulai dari sumber daya hingga output. Terakhir, pastikan untuk menguji skema diagram agar mudah dipahami dan diimplementasikan oleh semua pihak yang terlibat.
Mengatasi Tantangan dalam Proses Pembuatan

Mengatasi tantangan dalam proses pembuatan TV digital membutuhkan pemahaman yang mendalam terhadap skema diagram pembuatan. Setiap langkah dalam diagram tersebut menunjukkan alur yang jelas, sehingga memudahkan tim untuk mengidentifikasi masalah potensial. Dengan pendekatan sistematis ini, pengembang dapat lebih efisien dalam mengatasi kendala yang muncul selama produksi.
Tips untuk Memilih Alat dan Bahan yang Tepat

Ketika memilih alat dan bahan untuk membuat TV digital, penting untuk memahami skema diagram pembuatan. Pastikan alat yang digunakan berkualitas dan sesuai dengan komponen yang diperlukan. Selain itu, pilih bahan yang tahan lama dan sesuai spesifikasi. Dengan demikian, proses pembuatan akan lebih efisien dan hasilnya optimal.
Inspirasi dari Proyek Tv Digital Sukses

Proyek TV digital yang sukses sering kali dimulai dengan skema diagram pembuatan TV digital yang jelas. Diagram ini memberikan panduan visual yang membantu tim memahami setiap langkah, mulai dari perencanaan hingga eksekusi. Dengan mempelajari skema tersebut, kita dapat mengambil inspirasi dari strategi dan teknik yang digunakan, menjadikan proses lebih terstruktur dan efektif.
Sumber Daya dan Komunitas untuk Pembelajaran Lebih Lanjut

Untuk memperdalam pemahaman Anda tentang skema diagram pembuatan TV digital, bergabunglah dengan komunitas online dan forum diskusi. Banyak sumber daya, seperti video tutorial dan artikel, dapat membantu Anda memahami konsepnya dengan lebih baik. Temukan teman belajar dan berbagi ide untuk meningkatkan keterampilan Anda dalam menciptakan skema diagram yang efektif.
Dalam artikel ini, kita telah membahas pentingnya memahami skema diagram pembuatan TV digital. Dari komponen utama hingga langkah-langkah penyusunan, setiap elemen memiliki peran krusial. Dengan pemahaman yang jelas tentang skema diagram ini, pemula dapat lebih percaya diri dalam melangkah ke dunia teknologi televisi digital.