Apakah Anda pernah bertanya-tanya bagaimana cara kerja charger aki yang efisien? Dalam dunia otomotif, memahami skema diagram charger aki sangat penting untuk memastikan daya yang optimal. Di artikel ini, kita akan menjelajahi komponen kunci dalam skema ini untuk membantu meningkatkan efisiensi pengisian daya Anda.
Pengenalan Tentang Pengisian Daya Aki

Pengisian daya aki merupakan proses penting untuk memastikan kendaraan tetap berfungsi dengan baik. Dalam pemahaman ini, skema diagram charger aki berperan krusial, karena memberikan gambaran jelas tentang alur pengisian. Dengan memahami diagram tersebut, pengguna dapat mengoptimalkan pengisian, mencegah kerusakan, dan memastikan aki berfungsi dengan efisien.
Mengapa Skema Diagram Penting dalam Pengisian Aki

Skema diagram charger aki sangat penting dalam pengisian aki karena memberikan panduan visual yang jelas. Dengan mengikuti skema diagram, pengguna dapat memahami alur pengisian dan mencegah kesalahan yang dapat merusak aki. Selain itu, skema ini membantu memastikan proses pengisian berjalan efisien dan aman, menjaga performa aki dalam jangka panjang.
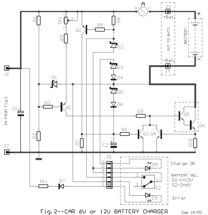
Elemen Kunci dalam Skema Diagram Charger Aki

Dalam skema diagram charger aki, terdapat beberapa elemen kunci yang harus diperhatikan. Pertama, sumber listrik yang menunjang pengisian, kemudian komponen pengatur arus yang memastikan aki tidak overcharge. Selain itu, indikator pengisian juga penting untuk memberikan informasi status. Memahami elemen-elemen ini membantu dalam merancang skema diagram charger aki yang efektif dan aman.
Cara Membaca Skema Diagram yang Efektif

Untuk membaca skema diagram charger aki dengan efektif, fokuslah pada simbol-simbol yang digunakan. Kenali setiap komponen, seperti resistor dan kapasitor, serta arah aliran arus. Dengan memahami hubungan antar elemen, Anda dapat lebih mudah mengikuti langkah-langkah yang diperlukan dalam pemasangan atau perbaikan. Praktekkan dengan berbagai skema untuk meningkatkan keterampilan Anda.
Memahami Fungsi Setiap Komponen dalam Skema

Memahami fungsi setiap komponen dalam skema diagram charger aki sangat penting untuk memastikan kinerja yang optimal. Setiap elemen, mulai dari resistor hingga kapasitor, memiliki peran spesifik yang mendukung proses pengisian baterai. Dengan memahami fungsi ini, Anda bisa melakukan perbaikan atau modifikasi skema dengan lebih percaya diri dan efektif.
Mengoptimalkan Proses Pengisian Daya

Untuk mengoptimalkan proses pengisian daya, memahami skema diagram charger aki sangat penting. Skema ini menunjukkan alur listrik dan koneksi yang tepat, memastikan pengisian berlangsung efisien. Dengan mengikuti diagram yang benar, Anda dapat meminimalkan risiko overcharging dan meningkatkan umur aki, sehingga performanya selalu maksimal.
Kesalahan Umum saat Menggunakan Skema Diagram

Ketika menggunakan skema diagram charger aki, sering kali pengguna melakukan kesalahan yang dapat merugikan. Salah satu kesalahan umum adalah mengabaikan simbol-simbol penting dalam diagram, yang dapat menyebabkan sambungan tidak tepat. Selain itu, tidak memperhatikan urutan langkah juga bisa mengakibatkan kerusakan pada perangkat.
Memahami skema diagram dengan baik adalah kunci untuk menghindari masalah ini.
Manfaat Menggunakan Diagram Charger Aki yang Tepat

Menggunakan skema diagram charger aki yang tepat memberikan banyak manfaat, seperti kemudahan dalam memahami rangkaian elektronik dan meningkatkan efisiensi pengisian daya. Diagram ini membantu pengguna untuk merakit charger dengan benar, mengurangi risiko kesalahan, dan memastikan aki terisi dengan optimal. Dengan informasi yang jelas, proses pengisian bisa lebih aman dan efektif.
Tips Memilih Skema yang Sesuai untuk Kebutuhan Anda

Memilih skema diagram charger aki yang tepat sangat penting agar Anda bisa mendapatkan hasil yang optimal. Pertimbangkan kebutuhan daya, jenis aki, dan aplikasi penggunaan. Pastikan skema yang Anda pilih mudah dipahami dan sesuai dengan pengalaman Anda, sehingga proses pengisian daya bisa berjalan efisien dan aman.
Aplikasi Praktis dari Skema Diagram Charger Aki dalam Kehidupan Sehari-Hari

Skema diagram charger aki sangat berguna dalam kehidupan sehari-hari, terutama bagi pengguna kendaraan bermotor. Dengan memahami skema diagram ini, kita dapat dengan mudah merakit atau memperbaiki charger aki sendiri. Selain itu, pengetahuan tentang skema diagram juga membantu dalam mengidentifikasi masalah pada sistem pengisian aki, sehingga kendaraan tetap berfungsi optimal.
Dalam artikel ini, kita telah membahas pentingnya memahami skema diagram charger aki untuk meningkatkan efisiensi pengisian daya. Fokus utama meliputi komponen utama charger, cara kerja, serta tips optimasi pengisian. Dengan pengetahuan ini, Anda dapat memastikan proses pengisian aki yang lebih cepat dan aman.