Artikel ini bertujuan untuk membantu Anda memahami skema diagram amplifier Toa ZA1031, yang merupakan kunci untuk meningkatkan kualitas audio secara optimal. Dengan memahami diagram ini, Anda akan mendapatkan wawasan yang diperlukan untuk mengoptimalkan sistem audio Anda, menjadikan setiap suara yang dihasilkan lebih jernih dan mendalam.

Kenali Dasar-Dasar Amplifier dan Perannya dalam Audio

Amplifier adalah komponen kunci dalam sistem audio, berfungsi untuk meningkatkan sinyal suara agar lebih kuat dan jelas. Dengan memahami skema diagram amplifier TOA ZA1031, Anda dapat melihat bagaimana setiap elemen bekerja harmonis untuk menghasilkan audio berkualitas tinggi. Ini sangat penting bagi para penggemar audio yang ingin memaksimalkan pengalaman mendengarkan mereka.
Mengapa Memilih Toa Za1031?

Pemilihan Toa Za1031 menjadi pilihan utama bagi banyak pengguna karena skema diagram amplifier Toa Za1031 yang inovatif dan efisien. Desainnya yang intuitif memungkinkan instalasi yang mudah, memastikan kualitas suara yang jernih dan stabil. Dengan performa handal, Toa Za1031 siap memenuhi kebutuhan audio profesional Anda.
Menelusuri Fitur Utama Amplifier ini

Amplifier TOA ZA1031 menawarkan berbagai fitur unggulan yang dapat ditemukan melalui skema diagram amplifier ini. Desainnya yang kompak dan efisien memungkinkan pengguna untuk dengan mudah memahami setiap komponen. Memahami skema diagram amplifier TOA ZA1031 sangat penting untuk memaksimalkan performa audio dan pengaturan suara yang optimal.
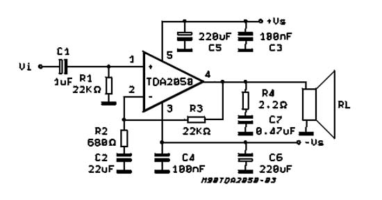
Membongkar Skema Diagram Amplifier Toa Za1031

Membongkar skema diagram amplifier Toa ZA1031 memberikan wawasan mendalam mengenai komponen dan fungsinya. Dalam diagram ini, Anda akan menemukan tata letak sirkuit yang jelas, yang memudahkan pemahaman alur sinyal audio. Dengan memahami skema diagram ini, Anda dapat melakukan perbaikan atau modifikasi yang diperlukan untuk meningkatkan performa amplifier Anda.
Komponen Penting yang Harus Diketahui
Memahami skema diagram amplifier TOA ZA1031 sangat penting untuk pengoperasian yang optimal. Komponen utama seperti resistor, kapasitor, dan transistor berperan krusial dalam meningkatkan kualitas suara. Dengan mengetahui fungsi masing-masing komponen, Anda bisa lebih mudah dalam troubleshooting dan memperbaiki masalah yang mungkin terjadi pada sistem audio Anda.
Cara Menganalisis Kinerja Audio Melalui Diagram
Menganalisis kinerja audio dapat dilakukan dengan menggunakan skema diagram amplifier TOA ZA1031. Diagram ini memberikan gambaran jelas tentang alur sinyal dan fungsi masing-masing komponen. Dengan memahami skema diagram, Anda dapat mengevaluasi efisiensi sistem audio, mengidentifikasi potensi masalah, dan melakukan perbaikan yang diperlukan untuk kualitas suara yang optimal.
Tips untuk Mengoptimalkan Pengaturan Audio Anda

Untuk mengoptimalkan pengaturan audio Anda, penting untuk memahami skema diagram amplifier TOA ZA1031. Pastikan Anda mengikuti langkah-langkah pada diagram untuk menyambungkan komponen dengan benar. Perhatikan juga pengaturan volume dan equalizer agar suara yang dihasilkan lebih seimbang dan jelas, memberikan pengalaman audio yang maksimal.
Masalah Umum yang Mungkin Dihadapi dan Solusinya

Dalam penggunaan skema diagram amplifier TOA ZA1031, beberapa masalah umum dapat muncul, seperti suara yang terputus atau distorsi. Untuk mengatasinya, periksa koneksi kabel dan pastikan semua komponen terpasang dengan benar. Selain itu, pastikan sumber daya mencukupi dan pengaturan volume tidak terlalu tinggi untuk mencegah kerusakan pada amplifier.
Pengalaman Pengguna: Ulasan dan Testimoni
Pengguna telah memberikan beragam ulasan positif tentang skema diagram amplifier TOA ZA1031. Mereka menyoroti kemudahan dalam memahami diagram, yang membantu dalam pengerjaan instalasi. Testimoni menyebutkan, dengan skema ini, banyak pengguna merasa lebih percaya diri saat merakit perangkat audio, sehingga pengalaman mereka menjadi lebih efisien dan memuaskan.
Langkah Selanjutnya untuk Peningkatan Audio yang Lebih Baik
Untuk mencapai peningkatan audio yang lebih baik, langkah selanjutnya adalah memahami skema diagram amplifier TOA ZA1031. Dengan mempelajari skema diagram ini, Anda dapat mengoptimalkan pengaturan dan meningkatkan kualitas suara. Pastikan untuk mengidentifikasi bagian-bagian penting dalam skema, sehingga Anda bisa melakukan penyesuaian yang diperlukan dan mencapai performa audio maksimal.
Dalam memahami skema diagram amplifier Toa ZA1031, kita telah membahas komponen kunci, fungsi masing-masing bagian, serta cara kerja keseluruhan sistem. Pengetahuan ini penting untuk meningkatkan kualitas audio secara optimal. Dengan memahami diagram ini, Anda dapat lebih mudah melakukan perawatan dan pengaturan perangkat audio sesuai kebutuhan.