Di era digital saat ini, akurasi pengukuran semakin krusial, terutama dalam bidang elektronik. Memahami skema diagram digital dc voltmeter menjadi sangat penting untuk memastikan hasil yang presisi. Dalam artikel ini, kita akan membahas bagaimana skema diagram ini berperan dalam kehidupan modern dan aplikasinya yang relevan.

Memahami Dasar-Dasar Pengukuran Listrik

Memahami dasar-dasar pengukuran listrik penting untuk berbagai aplikasi teknik. Salah satu alat yang sering digunakan adalah DC voltmeter. Dalam konteks ini, skema diagram digital DC voltmeter memberikan gambaran jelas tentang cara kerja alat ini. Dengan memahami skema diagram, Anda dapat menginterpretasi data pengukuran dengan lebih efektif dan akurat.
Peran Penting Voltmeter dalam Elektronik

Voltmeter memiliki peran krusial dalam elektronik, terutama dalam mengukur tegangan dengan akurat. Melalui skema diagram digital DC voltmeter, pengguna dapat dengan mudah memahami cara kerja dan fungsinya. Alat ini tidak hanya membantu dalam troubleshooting, tetapi juga memastikan kinerja optimal dari berbagai komponen elektronik.
Komponen Utama dalam Skema Diagram Digital Dc Voltmeter

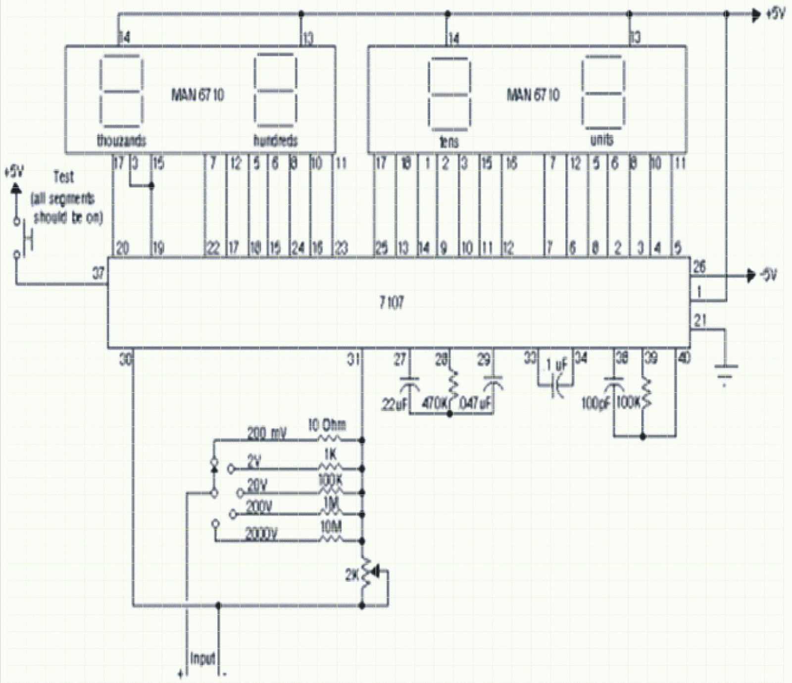
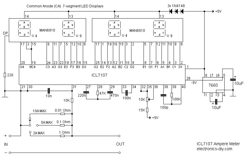
Dalam skema diagram digital DC voltmeter, terdapat beberapa komponen utama yang tidak boleh diabaikan. Di antaranya adalah sensor tegangan, pengolah sinyal, dan tampilan digital. Masing-masing komponen berperan penting dalam memastikan pengukuran tegangan yang akurat dan real-time, menjadikan skema diagram digital DC voltmeter sangat efektif dalam aplikasi elektronik.
Merakit Voltmeter Digital: Langkah Pertama

Langkah pertama dalam merakit voltmeter digital adalah memahami skema diagram digital DC voltmeter. Skema ini memberikan gambaran jelas tentang komponen yang diperlukan, seperti resistors dan IC, serta cara penyambungannya. Memiliki pemahaman yang baik tentang skema diagram ini akan memudahkan Anda dalam proses perakitan dan memastikan voltmeter berfungsi dengan baik.
Menyelami Skema Diagram Digital Dc Voltmeter

Menyelami skema diagram digital DC voltmeter memberikan pemahaman mendalam tentang cara kerja alat ukur ini. Dengan memahami setiap komponen dalam skema diagram, pengguna dapat lebih mudah melakukan perbaikan atau pengembangan. Diagram ini tidak hanya menunjukkan rangkaian listrik, tetapi juga membantu dalam visualisasi alur sinyal, menjadikannya penting untuk mempelajari teknik pengukuran listrik.
Kelebihan Voltmeter Digital Dibandingkan Analog

Voltmeter digital menawarkan kelebihan signifikan dibandingkan analog, terutama dalam akurasi dan kemudahan pembacaan. Dengan skema diagram digital DC voltmeter, pengguna dapat dengan mudah memahami nilai tegangan yang ditampilkan. Selain itu, voltmeter digital sering dilengkapi fitur tambahan seperti pengukuran otomatis dan penyimpanan data, membuatnya lebih praktis untuk berbagai aplikasi.
Cara Membaca Hasil Pengukuran dengan Akurat

Untuk membaca hasil pengukuran dengan akurat menggunakan skema diagram digital DC voltmeter, penting untuk memahami setiap komponen dalam diagram tersebut. Pastikan Anda mengidentifikasi titik pengukuran dan skala yang digunakan. Dengan demikian, Anda dapat memastikan hasil yang tepat dan menghindari kesalahan dalam interpretasi data.
Kesalahan Umum dalam Penggunaan Voltmeter

Dalam penggunaan voltmeter, kesalahan umum sering terjadi akibat pemahaman yang kurang tentang skema diagram digital DC voltmeter. Misalnya, menghubungkan voltmeter pada rangkaian yang tidak tepat atau salah memilih rentang pengukuran dapat menghasilkan pembacaan yang tidak akurat. Memahami skema diagram dengan baik sangat penting untuk mencegah kesalahan ini dan memastikan pengukuran yang tepat.
Tips Memilih Voltmeter yang Tepat untuk Kebutuhan Anda

Memilih voltmeter yang tepat sangat penting untuk akurasi pengukuran. Pertimbangkan skema diagram digital DC voltmeter yang sesuai dengan kebutuhan Anda. Pastikan voltmeter yang dipilih memiliki fitur yang memudahkan pembacaan dan integrasi dengan sistem yang ada. Dengan begitu, Anda dapat mengoptimalkan penggunaan alat ini secara efektif.
Menerapkan Pengetahuan dalam Proyek Praktis

Menerapkan pengetahuan dalam proyek praktis sangat penting, terutama saat bekerja dengan skema diagram digital DC voltmeter. Dengan memahami dan memvisualisasikan skema diagram, Anda dapat merakit voltmeter dengan lebih efisien. Ini tidak hanya meningkatkan keterampilan teknis, tetapi juga memperdalam pemahaman Anda tentang konsep dasar elektronika.
Setelah memahami skema diagram digital DC voltmeter, langkah selanjutnya adalah melakukan praktik dengan merakit rangkaian tersebut. Cobalah untuk mengganti komponen dan mengukur berbagai sumber tegangan. Dengan pengalaman ini, pemahaman Anda akan semakin mendalam, dan kemampuan pengukuran Anda akan meningkat secara signifikan.