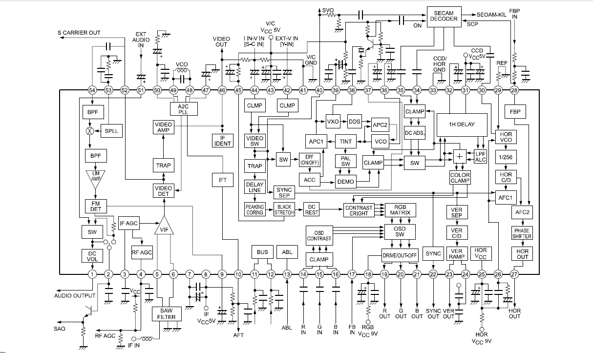
Skema diagram IC LA76938A adalah representasi visual dari sirkuit terpadu yang digunakan dalam berbagai aplikasi elektronik, terutama dalam pengolahan sinyal video. Memahami skema ini sangat penting karena dapat membantu para pengembang merancang proyek yang efisien dan fungsional, memaksimalkan penggunaan komponen yang tersedia.
Memahami Dasar-Dasar Skema Diagram Elektronik

Memahami dasar-dasar skema diagram elektronik sangat penting untuk melakukan analisis dan perancangan rangkaian. Salah satu contoh menarik adalah skema diagram IC LA76938A, yang menunjukkan bagaimana komponen berinteraksi. Memahami simbol dan fungsinya dalam skema diagram membantu Anda mempercepat proses pembelajaran tentang elektronik.
Pengenalan Ic La76938A dan Fungsinya

IC LA76938A adalah komponen penting dalam sirkuit audio dan video, terutama dalam aplikasi pemrosesan sinyal. Dengan memahami skema diagram IC LA76938A, Anda dapat mengoptimalkan penggunaannya untuk meningkatkan kualitas sinyal dalam perangkat multimedia. Fungsinya mencakup pengaturan gain dan pengolahan sinyal yang lebih efektif.
Mengapa Skema Diagram Penting untuk Proyek Anda
Skema diagram, seperti skema diagram IC LA76938A, sangat penting untuk kesuksesan proyek Anda. Dengan menyajikan informasi secara visual, skema diagram membantu tim memahami hubungan antar komponen dengan lebih jelas. Ini mengurangi risiko kesalahan dan meningkatkan efisiensi dalam pengembangan, memastikan proyek berjalan sesuai rencana.
Langkah Awal dalam Merancang Skema Diagram Ic La76938A

Langkah awal dalam merancang skema diagram IC LA76938A sangat penting untuk memastikan fungsionalitas yang tepat. Pertama, pahami spesifikasi dan fungsi utama dari IC ini. Selanjutnya, gambarlah diagram dasar yang mencakup semua komponen terkait. Dengan skema diagram yang jelas, Anda akan lebih mudah dalam proses pengkabelan dan perakitan sistem yang diinginkan.
Komponen Kunci yang Terdapat dalam Skema Diagram ini

Dalam skema diagram IC LA76938A, terdapat beberapa komponen kunci yang mendukung fungsinya. Komponen ini meliputi resistor, kapasitor, dan jalur koneksi yang memastikan aliran sinyal optimal. Memahami posisi dan fungsi masing-masing komponen dalam skema diagram ini sangat penting untuk analisis dan perbaikan rangkaian elektronik.
Proses Penyambungan Komponen dalam Diagram

Proses penyambungan komponen dalam skema diagram IC LA76938A memerlukan perhatian khusus pada setiap langkah. Pastikan semua koneksi terhubung sesuai dengan petunjuk diagram untuk menghindari kesalahan. Penggunaan skema diagram yang jelas dan akurat sangat membantu dalam memahami hubungan antar komponen, sehingga memudahkan proses troubleshooting dan perakitan.
Keunggulan Menggunakan La76938A dalam Proyek Elektronik

Keunggulan menggunakan LA76938A dalam proyek elektronik sangat terasa, terutama dalam hal efisiensi dan kemudahan implementasi. Dengan skema diagram IC LA76938A yang jelas dan terstruktur, para insinyur dapat dengan cepat merancang sirkuit yang stabil dan fungsional. Ini memungkinkan pengembangan perangkat yang lebih cepat dan efektif, mendukung inovasi dalam berbagai aplikasi elektronik.
Contoh Proyek Sukses Menggunakan Skema Diagram Ic La76938A

Dalam dunia elektronik, skema diagram IC LA76938A telah menjadi fondasi bagi berbagai proyek sukses. Contohnya, banyak pengembang telah memanfaatkan skema ini untuk menciptakan sistem televisi yang efisien dan berkualitas tinggi. Dengan pemahaman yang tepat tentang skema diagram IC LA76938A, mereka mampu merancang perangkat yang memberikan performa optimal dan memuaskan pengguna.
Tips untuk Membaca dan Memahami Skema Diagram

Memahami skema diagram IC LA76938A dapat menjadi lebih mudah dengan beberapa tips. Pertama, identifikasi simbol-simbol yang digunakan dan artinya. Kedua, perhatikan jalur koneksi antar komponen. Ketiga, gunakan catatan untuk mencatat fungsi setiap bagian. Dengan langkah-langkah ini, membaca skema diagram akan terasa lebih intuitif dan jelas.
Sumber Daya Tambahan untuk Pengembangan Proyek Elektronik

Untuk pengembangan proyek elektronik, memanfaatkan sumber daya tambahan sangat penting. Salah satunya adalah skema diagram IC LA76938A yang memberikan panduan jelas dalam merakit rangkaian. Dengan memahami skema diagram ini, Anda dapat menghindari kesalahan dan mempercepat proses pengembangan proyek Anda. Temukan informasi lebih lanjut dan sumber daya lainnya untuk mendukung kreativitas Anda!
Memahami skema diagram IC LA76938A dapat membantu Anda merancang berbagai proyek elektronik yang lebih efisien. Cobalah untuk menerapkan pengetahuan ini dalam membuat alat otomatisasi rumah, seperti lampu pintar atau sistem keamanan. Dengan begitu, Anda tidak hanya belajar, tetapi juga meningkatkan kenyamanan dan keamanan di rumah Anda.