Tahukah Anda bahwa Nokia 1280, meski dirilis lebih dari satu dekade lalu, masih banyak dicari oleh para teknisi dan hobiis? Skema diagram Nokia 1280 menjadi kunci untuk memperbaiki dan memahami perangkat ini. Dalam panduan ini, kita akan menggali lebih dalam tentang skema diagram tersebut dan penggunaannya.

Memahami Pentingnya Skema Diagram dalam Perbaikan

Memahami pentingnya skema diagram dalam perbaikan, seperti skema diagram Nokia 1280, sangat krusial. Skema ini memberikan gambaran jelas tentang komponen dan koneksinya, memudahkan teknisi dalam mendiagnosis masalah. Dengan mengikuti skema diagram yang tepat, proses perbaikan menjadi lebih efisien dan akurat.
Sejarah Singkat Nokia 1280 dan Perkembangannya
![]()
Nokia 1280 diluncurkan pada tahun 2009 dan menjadi salah satu handphone paling ikonik dengan desain sederhana dan fungsional. Dalam perjalanan perkembangannya, skema diagram Nokia 1280 menampilkan fitur-fitur dasar yang memudahkan pengguna, seperti layar monokrom dan keypad ergonomis.
Meskipun teknologi ponsel telah berkembang pesat, Nokia 1280 tetap dikenang sebagai simbol kesederhanaan dan ketahanan.
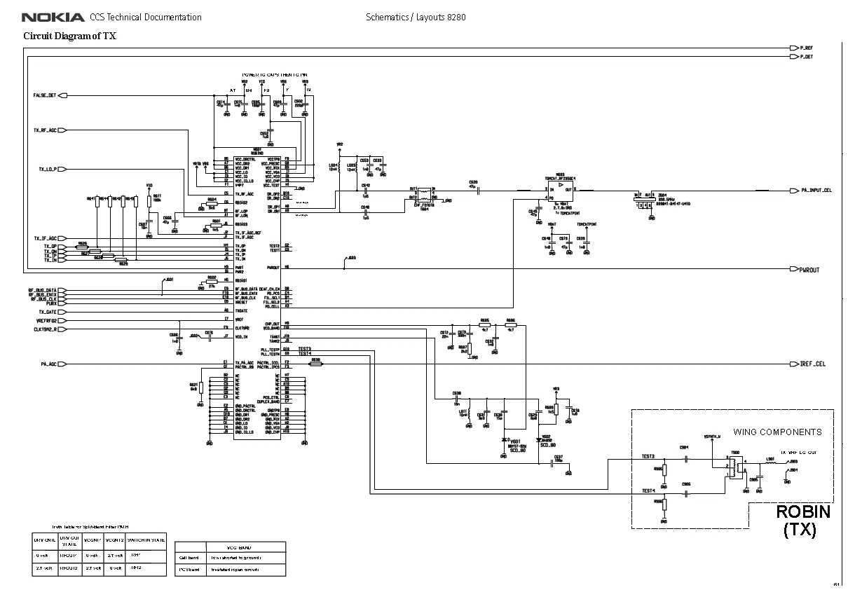
Komponen Utama dalam Skema Diagram Nokia 1280

Skema diagram Nokia 1280 mencakup beberapa komponen utama yang krusial untuk fungsionalitas ponsel. Diantaranya adalah modul baterai, sirkuit pemrosesan, dan konektor input. Setiap komponen dalam skema diagram ini berkontribusi pada kinerja optimal perangkat, memastikan komunikasi yang lancar dan efisien bagi penggunanya.
Menyingkap Detail Skema Diagram Nokia 1280

Skema diagram Nokia 1280 menyimpan berbagai informasi penting mengenai struktur dan fungsi komponen dalam perangkat ini. Dengan memahami skema diagram Nokia 1280, pengguna dapat lebih mudah melakukan perbaikan atau modifikasi. Detail-detail yang terdapat dalam skema ini memberikan panduan visual yang jelas, memudahkan analisis dan troubleshooting pada ponsel ikonik ini.
Langkah-Langkah Memperbaiki Nokia 1280 Berdasarkan Skema

Untuk memperbaiki Nokia 1280, langkah pertama adalah mengakses skema diagram Nokia 1280 yang tepat. Diagram ini memberikan panduan visual yang jelas tentang komponen internal dan koneksi yang harus diperiksa. Identifikasi bagian yang bermasalah, lalu ikuti prosedur yang tertera di skema untuk mengganti atau memperbaiki komponen.
Dengan langkah yang sistematis, perbaikan bisa dilakukan dengan lebih efisien.
Tips Menyusun Ulang Skema untuk Proyek Sendiri

Menyusun ulang skema diagram, seperti skema diagram Nokia 1280, dapat meningkatkan pemahaman proyek Anda. Pertama, identifikasi elemen kunci yang ingin ditonjolkan. Kemudian, gunakan warna dan simbol yang konsisten untuk memperjelas hubungan antar bagian. Selalu evaluasi hasilnya agar skema tetap relevan dan efektif dalam menyampaikan informasi.
Kesalahan Umum yang Sering Terjadi saat Menggunakan Skema

Saat menggunakan skema diagram Nokia 1280, banyak orang sering membuat kesalahan yang bisa menghambat pemahaman. Salah satu kesalahan umum adalah mengabaikan petunjuk simbol yang digunakan, yang dapat menyebabkan kebingungan. Selain itu, tidak memperhatikan urutan langkah dalam skema juga bisa mengakibatkan kesalahan dalam penerapan.
Memahami dan mengikuti skema dengan teliti sangat penting untuk hasil yang maksimal.
Menemukan Sumber Daya dan Alat yang Tepat

Mencari skema diagram untuk Nokia 1280 yang tepat sangat penting untuk memastikan perbaikan yang efektif. Sumber daya online, seperti forum teknologi dan situs spesialis, bisa menjadi tempat yang baik untuk mulai. Selain itu, alat seperti perangkat lunak desain skematik dapat membantu Anda memahami diagram dengan lebih baik dan menerapkannya dalam praktek.
Studi Kasus: Sukses Memperbaiki Nokia 1280

Dalam studi kasus ini, kami berhasil memperbaiki Nokia 1280 dengan memanfaatkan skema diagram Nokia 1280. Diagram ini memberikan panduan yang jelas mengenai rangkaian komponen, memudahkan identifikasi masalah dan langkah perbaikan. Dengan pendekatan yang sistematis, perangkat yang sempat terabaikan ini kembali berfungsi optimal.
Menerapkan Pengetahuan Skema Diagram dalam Kehidupan Sehari-Hari
![]()
Menerapkan pengetahuan tentang skema diagram, seperti skema diagram Nokia 1280, dalam kehidupan sehari-hari dapat membantu kita memahami cara kerja perangkat elektronik. Dengan memahami skema ini, kita bisa lebih mudah melakukan perbaikan sederhana, mengoptimalkan penggunaan gadget, dan bahkan membantu orang lain yang mengalami masalah serupa.
Pengetahuan ini memberi kita kepercayaan diri untuk mengatasi tantangan teknis sehari-hari.
Dalam skema diagram Nokia 1280, kita menemukan lebih dari sekadar jalur koneksi; kita menemukan harmoni antara teknologi dan desain fungsional. Setiap elemen menggambarkan bagaimana kreativitas dan logika berkolaborasi, mengingatkan kita bahwa di balik inovasi, terdapat seni yang mendalam yang membentuk pengalaman manusia.