Menurut riset terbaru, lebih dari 65% pengembang elektronik melaporkan kesulitan dalam memahami skema diagram untuk perangkat mereka. Salah satu yang paling dicari adalah skema diagram lcd nokia rm217, yang menawarkan kemudahan dan efektivitas dalam proyek Anda. Mari kita eksplorasi lebih dalam mengenai fungsionalitasnya!

Memahami Dasar-Dasar Lcd dalam Proyek Elektronik

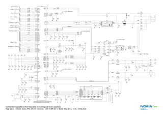
Memahami dasar-dasar LCD dalam proyek elektronik sangat penting, terutama saat bekerja dengan skema diagram LCD Nokia RM217. Diagram ini memberikan panduan visual yang jelas untuk menghubungkan komponen dengan benar. Dengan memahami elemen-elemen dalam skema, Anda dapat merakit proyek yang lebih efisien dan fungsional.
Sejarah Singkat Nokia Rm217 dan Penggunaannya

Nokia RM217 muncul sebagai salah satu perangkat ikonik di era ponsel klasik. Dengan desain sederhana namun fungsional, model ini dikenal luas berkat kehandalan dan daya tahannya. Penggunaan skema diagram LCD Nokia RM217 sangat penting bagi para teknisi, memungkinkan pemahaman yang lebih baik tentang cara kerja dan perbaikan komponen.
Ini menjadikan RM217 bukan hanya ponsel, tetapi juga objek studi bagi penggemar teknologi.
Kenapa Memilih Skema Diagram untuk Proyek Anda?

Memilih skema diagram untuk proyek Anda, seperti skema diagram LCD Nokia RM217, sangat penting untuk mempermudah pemahaman dan implementasi. Dengan visualisasi yang jelas, Anda dapat mengidentifikasi komponen dan koneksi secara efisien, yang mempercepat proses pengembangan. Skema diagram juga membantu mencegah kesalahan yang bisa menghambat kemajuan proyek Anda.
Menjelajahi Kelebihan Skema Diagram Lcd Nokia Rm217

Skema diagram LCD Nokia RM217 menawarkan berbagai kelebihan yang memudahkan dalam memahami dan memperbaiki perangkat. Dengan detail yang jelas, pengguna dapat dengan mudah mengikuti setiap langkah, menjadikan proses troubleshooting lebih efisien.
Melalui skema diagram ini, peningkatan pemahaman tentang konektivitas dan fungsi tiap komponen menjadi lebih terjangkau, memastikan perangkat berfungsi optimal.
Cara Membaca dan Memahami Skema Diagram

Untuk membaca dan memahami skema diagram LCD Nokia RM217, pertama-tama perhatikan simbol-simbol dasar yang digunakan. Identifikasi komponen seperti resistor, kapasitor, dan koneksi kabel. Selanjutnya, ikuti alur diagram dari sumber daya ke layar, sehingga Anda bisa memahami fungsi masing-masing bagian. Dengan latihan, Anda akan lebih cepat membaca skema diagram ini.
Langkah-Langkah Menerapkan Skema Diagram Lcd Nokia Rm217

Untuk menerapkan skema diagram lcd nokia rm217, mulailah dengan mengidentifikasi komponen utama seperti konektor dan pin. Selanjutnya, sambungkan kabel sesuai dengan skema diagram yang telah Anda siapkan. Pastikan setiap koneksi kuat dan tepat agar lcd berfungsi dengan baik. Terakhir, lakukan pengujian untuk memastikan semuanya berjalan lancar.
Komponen Penting yang Perlu Diketahui

Dalam memahami skema diagram LCD Nokia RM217, ada beberapa komponen penting yang harus diperhatikan. Pertama, kenali pin koneksi yang berfungsi untuk menghubungkan layar dengan motherboard. Selain itu, perhatikan juga resistor dan kapasitor di dalam skema, karena keduanya berperan vital dalam stabilitas dan kualitas tampilan.
Dengan pemahaman ini, Anda dapat lebih mudah menganalisis dan memperbaiki masalah pada LCD Nokia RM217.
Tips Menghindari Kesalahan saat Menggunakan Skema Diagram

Saat menggunakan skema diagram LCD Nokia RM217, penting untuk memperhatikan detail dengan seksama. Pastikan Anda memahami setiap simbol dan koneksi yang ada. Gunakan referensi yang jelas dan lakukan pengecekan ulang pada wiring sebelum menghubungkan. Dengan cara ini, Anda dapat menghindari kesalahan yang dapat merusak perangkat Anda.
Proyek Inspiratif Menggunakan Lcd Nokia Rm217

Proyek inspiratif menggunakan LCD Nokia RM217 dapat menjadi solusi kreatif untuk berbagai aplikasi. Dengan memahami skema diagram LCD Nokia RM217, Anda dapat merancang berbagai alat dan perangkat, mulai dari panel informasi hingga alat pengukur. Skema diagram ini memberikan panduan penting dalam menghubungkan komponen dan memaksimalkan fungsionalitas LCD.
Sumber Daya dan Referensi Tambahan untuk Pembelajaran

Untuk mendalami pemahaman tentang skema diagram LCD Nokia RM217, tersedia berbagai sumber daya dan referensi tambahan yang dapat membantu. Buku elektronik, forum teknologi, dan video tutorial merupakan beberapa pilihan yang bisa diakses secara online. Memanfaatkan sumber-sumber ini akan memperkaya pengetahuan dan kemampuan Anda dalam bekerja dengan skema diagram yang kompleks.
Dalam artikel ini, kita telah membahas skema diagram LCD Nokia RM217 yang penting untuk proyek elektronik. Mulai dari pengenalan komponen, fungsi pin, hingga cara menghubungkannya dengan mikrokontroler. Memahami skema ini akan memudahkan Anda dalam menciptakan proyek yang lebih inovatif dan efisien. Semoga bermanfaat!