Pernahkah Anda berpikir bagaimana skema diagram charger controller dapat meningkatkan efisiensi energi Anda? Dengan banyaknya perangkat yang kita gunakan, mencari solusi untuk mengelola daya menjadi sangat penting. Dalam artikel ini, kita akan membahas bagaimana pemahaman terhadap skema diagram charger controller dapat membantu mencapai efisiensi energi optimal.

Pentingnya Pengelolaan Energi dalam Sistem Pengisian

Pengelolaan energi dalam sistem pengisian sangat penting untuk efisiensi dan keberlanjutan. Dengan menggunakan skema diagram charger controller, kita dapat memahami alur energi dan pengaturan daya yang optimal. Ini membantu mencegah pemborosan energi, memastikan pengisian yang lebih cepat, dan memperpanjang umur baterai.
Pemahaman yang jelas akan skema diagram ini adalah kunci untuk mencapai hasil yang maksimal.
Memahami Komponen Utama Charger Controller
Memahami komponen utama charger controller sangat penting untuk merancang sistem pengisian yang efisien. Dalam skema diagram charger controller, Anda akan menemukan elemen seperti pengatur arus, sensor suhu, dan pengendali logika. Setiap komponen berperan penting dalam memastikan proses pengisian berjalan optimal dan aman untuk baterai.
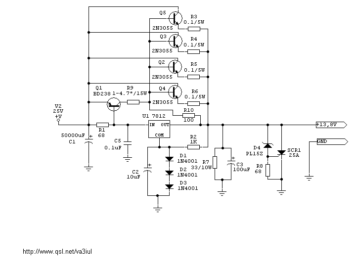
Apa itu Skema Diagram Charger Controller?

Skema diagram charger controller adalah representasi grafis yang menunjukkan bagaimana pengatur daya dalam sistem pengisian bekerja. Diagram ini memperlihatkan hubungan antara komponen seperti baterai, sumber daya, dan pengendali, sehingga memudahkan pemahaman alur energi. Dengan melihat skema diagram ini, pengguna bisa lebih mudah menganalisis dan menerapkan prinsip kerja charger controller.
Fungsi dan Peran Diagram dalam Desain Sistem

Diagram, seperti skema diagram charger controller, memainkan peran krusial dalam desain sistem. Mereka memberikan visualisasi yang jelas, membantu perancang memahami alur dan interaksi komponen. Dengan skema diagram, proses desain menjadi lebih terstruktur dan efisien, memungkinkan identifikasi masalah lebih cepat dan pengembangan solusi yang efektif.
Langkah-Langkah Membaca Skema Diagram Charger Controller

Untuk membaca skema diagram charger controller, mulai dengan memahami simbol-simbol dasar yang digunakan. Identifikasi komponen utama seperti resistor, kapasitor, dan transistor. Selanjutnya, ikuti jalur aliran listrik untuk melihat bagaimana komponen saling terhubung. Ini akan memudahkan Anda dalam menganalisis fungsi dan kinerja dari charger controller tersebut.
Analisis Efisiensi Energi Melalui Desain Diagram

Analisis efisiensi energi dapat ditingkatkan melalui desain skema diagram charger controller yang tepat. Dengan memvisualisasikan alur dan komponen sistem, kita dapat mengidentifikasi potensi penghematan energi. Skema diagram yang jelas membantu dalam memahami interaksi antara elemen, sehingga memaksimalkan kinerja dan efektivitas pengisian daya.
Kesalahan Umum dalam Membaca Skema Diagram

Membaca skema diagram charger controller dapat menjadi tantangan tersendiri. Salah satu kesalahan umum adalah tidak memahami simbol-simbol yang digunakan, yang bisa mengarah pada kebingungan. Selain itu, melewatkan informasi penting seperti jalur arus dan tegangan juga dapat mengakibatkan kesalahpahaman. Pastikan untuk teliti dan memahami setiap detail dalam skema diagram tersebut.
Tips untuk Meningkatkan Efisiensi Pengisian Energi

Untuk meningkatkan efisiensi pengisian energi, perhatikan skema diagram charger controller dengan seksama. Pastikan semua komponen terhubung dengan benar dan sesuai spesifikasi. Selain itu, gunakan kabel berkualitas tinggi untuk mengurangi resistansi dan kehilangan energi. Dengan skema diagram yang jelas, proses pengisian akan lebih optimal dan cepat.
Contoh Kasus Penggunaan Skema Diagram Charger Controller
Contoh kasus penggunaan skema diagram charger controller dapat terlihat pada sistem pengisian baterai kendaraan listrik. Dalam skema diagram ini, setiap komponen diwakili dengan jelas, sehingga pengguna dapat memahami alur arus dan fungsi masing-masing bagian. Ini membantu dalam perancangan, pemeliharaan, dan troubleshooting sistem pengisian daya yang efisien.
Inovasi Terbaru dalam Teknologi Charger Controller
Inovasi terbaru dalam teknologi charger controller membawa efisiensi pengisian daya ke level yang lebih tinggi. Dengan skema diagram charger controller yang lebih canggih, pengguna dapat memahami alur pengisian yang optimal. Perangkat ini kini dilengkapi fitur pintar yang memantau status baterai dan mengatur arus, memastikan pengisian yang aman dan cepat.
Sebagai langkah selanjutnya, ambil waktu untuk menggambar skema diagram charger controller berdasarkan pemahaman yang telah Anda peroleh. Uji berbagai konfigurasi dan parameter untuk menemukan solusi yang paling efisien. Dengan eksperimen ini, Anda akan memperoleh wawasan praktis yang memperdalam pemahaman dan meningkatkan efisiensi energi di aplikasi Anda.