Banyak yang percaya bahwa memahami diagram skema rangkaian encoder adalah tugas yang hanya untuk insinyur berpengalaman. Namun, kenyataannya, pengetahuan ini dapat mengubah cara Anda berinteraksi dengan proyek elektronik apa pun. Mengapa masih banyak yang ragu? Mari kita telusuri pentingnya diagram ini dalam dunia teknologi yang terus berkembang.

Pentingnya Memahami Skema Diagram dalam Proyek Elektronik

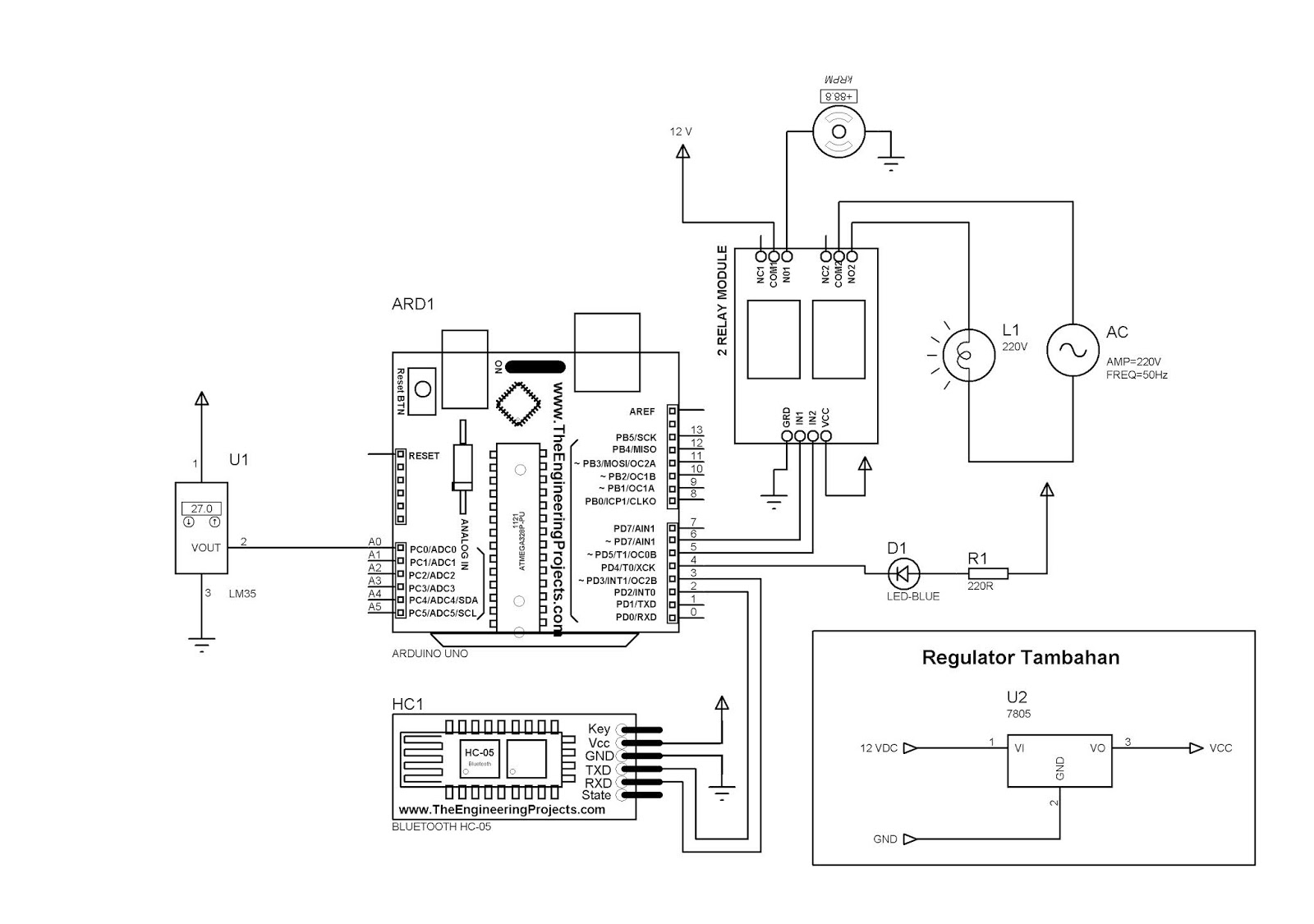
Memahami skema diagram rangkaian encoder sangat krusial dalam proyek elektronik. Diagram ini memberikan panduan visual yang jelas, memudahkan pemahaman hubungan antar komponen. Dengan mengetahui fungsi setiap elemen, Anda dapat merancang dan memperbaiki sistem dengan lebih efisien. Tanpa pemahaman yang baik, proyek elektronik bisa jadi rumit dan membingungkan.
Apa itu Encoder dan Bagaimana Cara Kerjanya?

Encoder adalah perangkat yang mengubah sinyal analog menjadi digital, memungkinkan pengolahan data yang lebih efisien. Dalam skema diagram rangkaian encoder, Anda dapat melihat bagaimana sinyal dari sensor diproses dan diubah menjadi format yang dapat dibaca oleh sistem lain. Proses ini sangat penting dalam berbagai aplikasi teknologi modern.
Komponen Utama dalam Diagram Skema Rangkaian Encoder
Diagram skema rangkaian encoder terdiri dari beberapa komponen utama yang memainkan peran penting dalam fungsinya. Di antara komponen tersebut, Anda akan menemukan input sinyal, logika rangkaian, dan output sinyal. Masing-masing elemen ini bekerja sama untuk mengubah informasi menjadi bentuk yang dapat diproses lebih lanjut, menciptakan sistem yang efisien dan terstruktur.
Proses Membangun Rangkaian Encoder yang Efisien

Proses membangun rangkaian encoder yang efisien dimulai dengan memahami diagram skema rangkaian encoder. Skema ini membantu memvisualisasikan hubungan antar komponen, sehingga memudahkan dalam perakitan. Dengan analisis yang tepat, Anda dapat menentukan elemen kunci yang diperlukan untuk mencapai kinerja optimal dan meminimalisir kompleksitas.
Diagram Skema Rangkaian Encoder: Langkah Demi Langkah
Dalam memahami diagram skema rangkaian encoder, langkah demi langkah sangatlah penting. Pertama, identifikasi komponen utama seperti input, output, dan logika dasar yang digunakan. Selanjutnya, gambarkan hubungan antar komponen secara jelas. Dengan mengikuti skema diagram ini, Anda akan lebih mudah mengimplementasikan rangkaian encoder dengan tepat dan efisien.
Mengidentifikasi Kesalahan Umum dalam Rangkaian Encoder

Dalam memahami diagram skema rangkaian encoder, penting untuk mengidentifikasi kesalahan umum yang sering terjadi. Beberapa kesalahan ini meliputi koneksi yang salah antar komponen, pemilihan resistor yang tidak tepat, serta pengaturan sinyal yang kurang optimal. Dengan menyadari kesalahan ini, Anda dapat memperbaiki desain dan meningkatkan kinerja encoder secara keseluruhan.
Tips untuk Mengoptimalkan Kinerja Encoder Anda
Untuk mengoptimalkan kinerja encoder Anda, penting untuk memahami diagram skema rangkaian encoder secara mendalam. Pastikan semua komponen terhubung dengan benar dan periksa kualitas sinyal yang dihasilkan. Dengan mempelajari skema diagram ini, Anda dapat mengidentifikasi potensi masalah dan meningkatkan efisiensi sistem encoder Anda.
Praktik ini akan membantu memastikan kinerja yang lebih baik dan lebih konsisten.
Contoh Aplikasi Encoder dalam Kehidupan Sehari-Hari
Encoder memiliki banyak aplikasi praktis dalam kehidupan sehari-hari. Misalnya, dalam sistem navigasi, skema diagram rangkaian encoder digunakan untuk mengubah posisi fisik menjadi sinyal digital. Selain itu, perangkat seperti printer, kamera, dan robot menggunakan encoder untuk memastikan akurasi dalam operasi mereka.
Dengan memahami diagram skema rangkaian encoder, kita bisa lebih menghargai teknologi yang ada di sekitar kita.
Alat dan Sumber Daya untuk Membantu Proyek Elektronik Anda

Untuk memudahkan proyek elektronik Anda, alat dan sumber daya seperti diagram skema rangkaian encoder sangat penting. Dengan skema diagram yang jelas, Anda dapat memahami cara kerja rangkaian dan menyusun komponen dengan lebih efisien. Manfaatkan perangkat lunak desain sirkuit untuk membuat dan mengedit diagram, sehingga proyek Anda berjalan lancar.
Teknik Advanced Diagram Skema Rangkaian Encoder

Teknik advanced diagram skema rangkaian encoder merupakan pendekatan yang mengoptimalkan pemahaman dan aplikasi sistem pengkodean. Dengan menggunakan diagram skema yang jelas dan terstruktur, para insinyur dapat mendesain rangkaian encoder yang efisien dan mudah dipahami. Memahami teknik ini membantu dalam troubleshooting dan pengembangan sistem yang lebih kompleks.
Dengan memahami diagram skema rangkaian encoder, Anda dapat lebih mudah merancang proyek elektronik yang efisien. Pastikan untuk berlatih dengan berbagai jenis skema, menguji setiap komponen secara terpisah, dan mendokumentasikan proses Anda. Ini akan memperkuat pemahaman dan memudahkan troubleshooting saat diperlukan.